产品分类
产品详情您的位置:首页 > 供应产品 > 拉压式柱式传感器 > 柱式传感器LF-609
![]() |
|
产品特点及用途:
力准传感提供的柱式传感器具有高精度、高动态响应、体积小等特点。
本产品是由我司自助生产,铂丝应变计、航空插头出线方便拆卸,能适应各种环境。
毫伏信号输出,我司可帮忙配置放大器,显示仪表,出厂前也会完成校准并提供测试报告。
本产品具有过载能力强的优点,可用于研磨、抛光、压装等领域的力值检测。
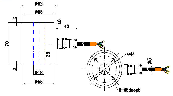
产品量程及尺寸图纸:


产品主要的技术参数:
量程 Capacity
0-0.5,1,2,3,5,10t
材质 Material
不锈钢Stainless Steel
输出灵敏度 Rated Output
1.0-1.5mV/V
输出电阻 Output Impedance
700Ω
零点输出 Zero Balance
± 2 % F.S.
绝缘电阻 Insulation
≥5000MΩ/100VDC
非线性 Non-linearity
0.5% F.S.
使用电压 Recommended Excitation
10-15V
滞后 Hysteresis
0.5% F.S.
最大使用电压 Maximum Excitation
15V
重复性 Repeatability
0.5% F.S.
温度补偿范围
Compensated Temp Range
- 10 ~ 60 ℃
蠕变 (30分钟)Creep (30min)
0.5% F.S.
工作温度 范围
Operating Temp Range
- 20 ~ 80 ℃
温度灵敏度漂移Temp Effect on Output
0.05% F.S. / 10℃
安全超载 Safe Load Limit
120%
零点温度漂移
Temp Effect on Zero
0.05% F.S. / 10℃
极限超载 Ultimate Load Limit
150%
输入电阻 Input Impedance
750±5Ω
电缆线尺寸 Cable Size
φ 5x 3m
TEDS 可选
其他信息:
如您有其他的需要,如量程、尺寸、安装位置、内置变送器等其他要求,请于我们联系,我们可为您量身定做。
也欢迎您来我司莅临指导。
上一条:二轴力传感器LF-202M
下一条:三轴力传感器LF-303B
- 柱式传感器的分类有哪些2018-10-16
- 柱式传感器和桥式传感器优缺点对比2018-10-12
- 柱式称重传感器的特点缺点2018-09-12
- 柱式传感器外形结构有哪些2018-06-22






