产品分类
产品详情您的位置:首页 > 供应产品 > 拉压式柱式传感器 > 柱式传感器LF-601
![]() |
|
产品特点及用途:
力准传感提供的柱式传感器具有高精度、高动态响应、大量程、体积小等特点。不锈钢材料,小体积使得具有较小的偏心误差。
本产品主要应用于冲击力检测设备、气动液压设备、冶金粉末行业等领域。
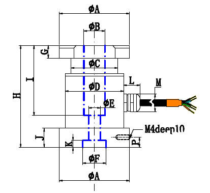
产品量程及尺寸图纸:

型号
量程
A
B
C
D
E
F
G
H
I
LF601-H76
5t
60
18
30
40
11
16
10
76
60
LF601-H80-01
0.2-10t
60
18
40
50
11
20
10
80
56
LF601-H80-02
3t
60
18
28
40
11
20
10
80
64
型号
量程
J
K
L
M
N
O
P
Q
LF601-H76
5t
11
5
14
14
15.7
5
4
38
LF601-H80-01
0.2-10t
15
6
14
14
15.7
5
8
50
LF601-H80-02
3t
11
5
14
14
15.7
5
4
38
产品主要的技术参数:
量程 Capacity
0~0.2,0.5,1,3,5,10t
材质 Material
不锈钢Stainless Steel
输出灵敏度 Rated Output
1.0±10%mV/V
输出电阻 Output Impedance
700± 3Ω
零点输出 Zero Balance
± 2 % F.S.
绝缘电阻 Insulation
≥5000MΩ/100VDC
非线性 Non-linearity
0.5% F.S.
使用电压 Recommended Excitation
10V
滞后 Hysteresis
0.5% F.S.
最大使用电压 Maximum Excitation
15V
重复性 Repeatability
0.5% F.S.
温度补偿范围
Compensated Temp Range
- 10 ~ 60 ℃
蠕变 (30分钟)Creep (30min)
0.05% F.S.
工作温度 范围
Operating Temp Range
- 20 ~ 80℃
温度灵敏度漂移Temp Effect on Output
0.05% F.S. / 10℃
安全超载 Safe Load Limit
120%
零点温度漂移 Temp Effect on Zero
0.05% F.S. / 10℃
极限超载 Ultimate Load Limit
200%
输入电阻 Input Impedance
750±5Ω
电缆线尺寸 Cable Size
φ 5x 3m
TEDS 可选
其他信息:
如您有其他的需要,如量程、尺寸、安装位置、内置变送器等其他要求,请于我们联系,我们可为您量身定做。
也欢迎您来我司莅临指导。
上一条:L600型多功能数字变送器
下一条:微型压式传感器LFC-08
- 柱式传感器的分类有哪些2018-10-16
- 柱式传感器和桥式传感器优缺点对比2018-10-12
- 柱式称重传感器的特点缺点2018-09-12
- 柱式传感器外形结构有哪些2018-06-22





