产品分类
产品详情您的位置:首页 > 供应产品 > 拉压式柱式传感器 > 柱式传感器LF-603
![]() |
|
产品特点及用途:
力准传感提供的柱式传感器具有高精度、高动态响应、体积小等特点。不锈钢材质适合于大量程测试。
本产品具有过载能力强的优势,主要应用于研磨、抛光、压装等领域的力值检测。
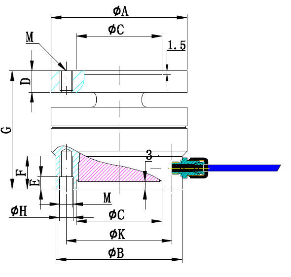
产品量程及尺寸图纸:

| Range | A | B | C | D | E | F | G | H | K | X | Y | I | J | Z | M | Weight |
| 0.5-10KN | 54 | 50 | 34 | 8.5 | 5 | 13 | 47 | 5.5 | 42 | 10 | 13 | 3 | 9 | 9 | 8-M5 | |
| 20~100KN | 95 | 90 | 55 | 15 | 5.5 | 20 | 72 | 11 | 70 | 15.7 | 14 | 5 | 10.5 | 14 | 16~M10 |
产品主要的技术参数:
|
量程 Capacity |
0-100KN |
材质 Material |
不锈钢Stainless Steel |
|
输出灵敏度 Rated Output |
1.0~1.5mV/V |
输出电阻 Output Impedance |
700± 3Ω |
|
零点输出 Zero Balance |
± 2 % F.S. |
绝缘电阻 Insulation |
≥5000MΩ/100VDC |
|
非线性 Non-linearity |
0.1-0.5% F.S. |
使用电压 Recommended Excitation |
5-10V |
|
滞后 Hysteresis |
0.1-0.5% F.S. |
最大使用电压 Maximum Excitation |
15V |
|
重复性 Repeatability |
0.1-0.5% F.S. |
温度补偿范围 Compensated Temp Range |
- 10 ~ 60 ℃ |
|
蠕变 (30分钟)Creep (30min) |
0.1% F.S. |
工作温度 范围 Operating Temp Range |
- 20 ~ 80℃ |
|
温度灵敏度漂移Temp Effect on Output |
0.05% F.S. / 10℃ |
安全超载 Safe Load Limit |
200% |
|
零点温度漂移 Temp Effect on Zero |
0.05% F.S. / 10℃ |
极限超载 Ultimate Load Limit |
300% |
|
输入电阻 Input Impedance |
750±5Ω |
电缆线尺寸 Cable Size |
φ3-5x 3m |
|
电缆线连接方式Wire Connection |
Ex + : 红 Red; Ex - : 黑 Black; Sig + : 绿 Green; Sig - : 白 White |
||
其他信息:
如您有其他的需要,如量程、尺寸、安装位置、内置变送器等其他要求,请于我们联系,我们可为您量身定做。
也欢迎您来我司莅临指导。
上一条:变送器/放大器LZ-700B
下一条:轮辐式传感器LFC-2D
- 柱式传感器的分类有哪些2018-10-16
- 柱式传感器和桥式传感器优缺点对比2018-10-12
- 柱式称重传感器的特点缺点2018-09-12
- 柱式传感器外形结构有哪些2018-06-22






