产品分类
产品详情您的位置:首页 > 供应产品 > 动态扭矩传感器 > 动态扭矩传感器 LT-110A
![]() |
|
动态扭矩传感器 LT-110A
产品特点及用途:
检测电动机、内燃机等旋转动力设备,输出扭矩及功率;检测各种机械加工中心、自动机床的工作过程中的扭矩;检测各种旋转动力设备系统所传递的扭矩及效率;可用于制造粘度计、电动、气动、液力扭力扳手。
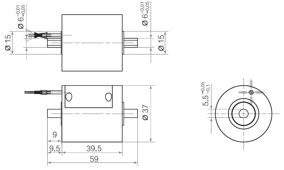
产品尺寸:
产品主要的技术参数:
|
量程 Capacity |
0 ~ 1,2,3,5NM |
材质 Material |
铝 Aluminum |
|
输出灵敏度 Rated Output |
1.0~1.5 mV/V |
综合精度 Total Accuracy |
0.5% F.S. |
|
零点输出 Zero Balance |
± 2 % F.S. |
绝缘电阻 Insulation |
≥5000MΩ/100VDC |
|
非线性 Non-linearity |
0.3% F.S. |
使用电压 Recommended Excitation |
3~10V |
|
滞后 Hysteresis |
0.1% F.S. |
最高转速 RPM | 1800 RM |
|
重复性 Repeatability |
0.1% F.S. |
温度补偿范围 Compensated Temp Range |
- 10 ~ 60 ℃ |
|
蠕变 (30分钟)Creep (30min) |
0.1% F.S. |
工作温度 范围 Operating Temp Range |
- 20 ~ 80 ℃ |
|
温度灵敏度漂移Temp Effect on Output |
0.05% F.S. / 10℃ |
安全超载 Safe Load Limit |
120% |
|
零点温度漂移 Temp Effect on Zero |
0.05% F.S. / 10℃ |
极限超载 Ultimate Load Limit |
150% |
|
输入/输出电阻 Input/Output Impedance |
350 ± 10Ω / 300 ± 3Ω |
电缆线尺寸 Cable Size |
φ2 x 3m |
|
电缆线连接方式Wire Connection |
Ex + : 红 Red; Ex - : 黑 Black; Sig + : 绿 Green; Sig - : 白 White |
||
TEDS可选
其他信息:
如您有其他的需要,如量程、尺寸、安装位置、内置变送器等其他要求,请于我们联系,我们可为您量身定做。
也欢迎您来我司莅临指导。
上一条:动态扭矩传感器LT-202
下一条:动态扭矩传感器LT-110
- 都有哪些测力的传感器?原理是什么?2020-08-24
- 传感器在机械工程中的应用2020-08-24
- 拉压力传感器检测系统的干扰来源及应对措施2020-08-10
- CMM东莞电子展倒计时3天2020-07-06






