产品分类
产品详情您的位置:首页 > 供应产品 > 拉压式柱式传感器 > 柱式传感器LF-605-H15
![]() |
|
产品特点及用途:
柱式传感器具有高精度、高动态响应、大量程、体积小等特点。
不锈钢材料,小体积使得具有较小的偏心误差。
毫伏信号输出,后端可配置放大器,显示仪表等相配套设备
本产品可用于按键手感度测试仪,冷热压机压力检测,机械人手抓力等领域。
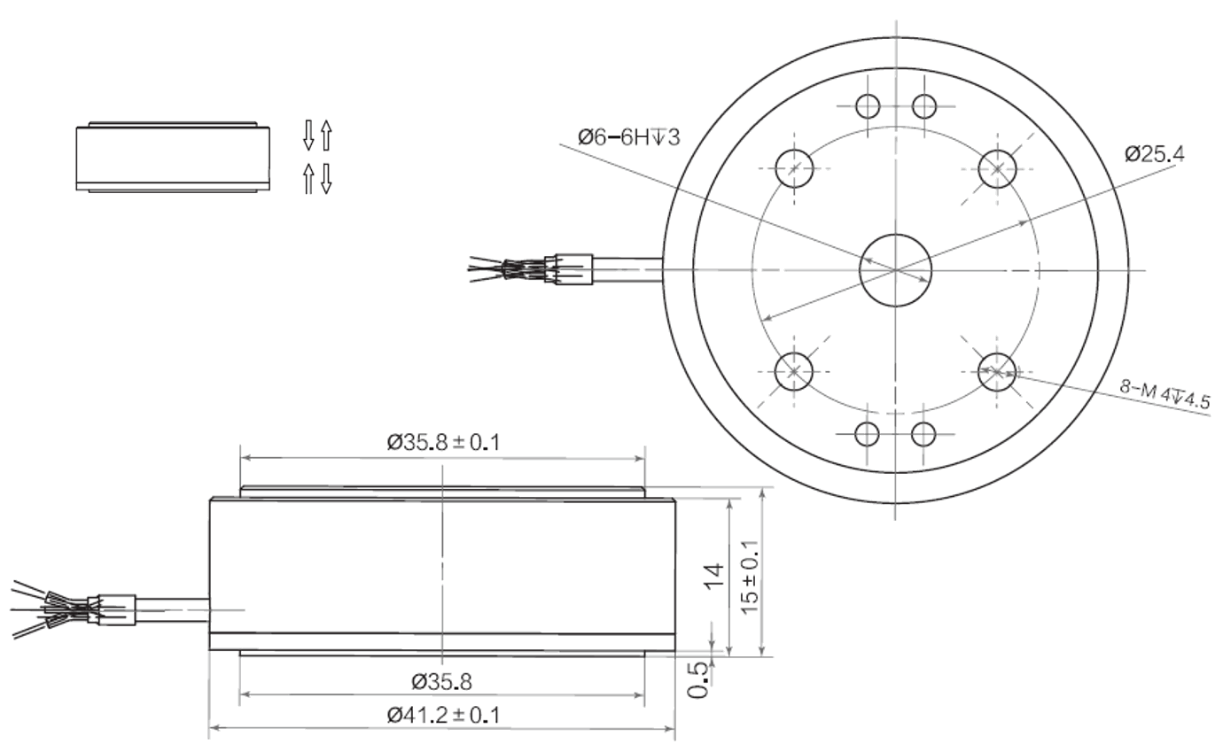
产品量程及尺寸图纸:
产品主要的技术参数:
|
量程 Capacity |
0-5, 10,20, 30, 50kg |
材质 Material |
不锈钢Stainless Steel |
|
输出灵敏度 Rated Output |
2.0±10%mV/V |
综合精度 Total Accuracy |
0.2%F.S. |
|
零点输出 Zero Balance |
± 2 % F.S. |
绝缘电阻 Insulation |
≥5000MΩ/100VDC |
|
非线性 Non-linearity |
0.1% F.S. |
使用电压 Recommended Excitation |
5-10V |
|
滞后 Hysteresis |
0.1% F.S. |
响应频率 Frequency |
>500 Hz |
|
重复性 Repeatability |
0.05% F.S. |
温度补偿范围 Compensated Temp Range |
- 10 ~ 60 ℃ |
|
蠕变 (30分钟) Creep (30min) |
0.05% F.S. |
工作温度 范围 Operating Temp Range |
- 20 ~ 80℃ |
|
温度灵敏度漂移Temp Effect on Output |
0.05% F.S. / 10℃ |
安全超载 Safe Load Limit |
150% |
|
零点温度漂移 Temp Effect on Zero |
0.05% F.S. / 10℃ |
极限超载 Ultimate Load Limit |
200% |
|
输入/输出电阻 Input Impedance |
750±10Ω/700± 3Ω |
电缆线尺寸 Cable Size |
φ 3 x 3m |
|
电缆线连接方式 Wire Connection |
Ex + : 红 Red; Ex - : 黑 Black; Sig + : 绿 Green; Sig - : 白 White |
||
TEDS可选
注意事项:
1.传感器为拉压两用模式
2.安装时请注意两端的同轴度小于0.05
3.压式使用时可以一端是硬连接,另一端受力
4.拉式使用最好是软连接
其他信息:
如您有其他的需要,如量程、尺寸、安装位置、内置变送器等其他要求,请于我们联系,我们可为您量身定做。
也欢迎您来我司莅临指导。
上一条:单点式传感器LFP-12T
下一条:轮辐压式传感器LFC-98
- 都有哪些测力的传感器?原理是什么?2020-08-24
- 传感器在机械工程中的应用2020-08-24
- 拉压力传感器检测系统的干扰来源及应对措施2020-08-10
- CMM东莞电子展倒计时3天2020-07-06






