产品分类
产品详情您的位置:首页 > 供应产品 > 环形测力传感器 > 环形测力传感器LFC-90
![]() |
|
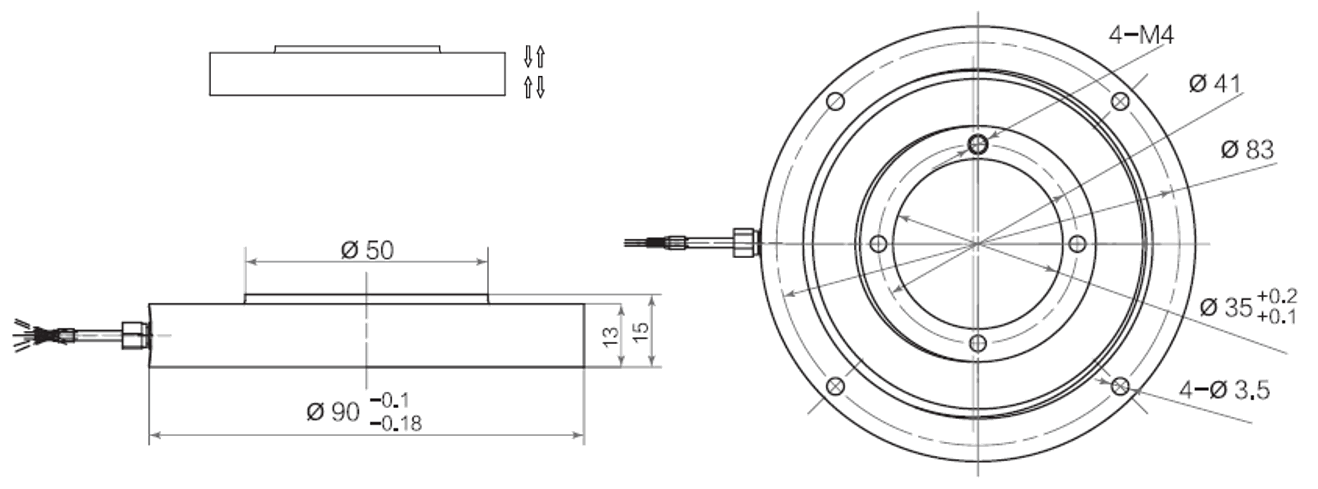
环形测力传感器LFC-90
产品特点及用途:
主要应用于:中空设计,主要测量挤压力,装配过盈力值检测和控制,其他工业控制力值检测
Hollow design,Mainly measure and control extrusion,interference force in assembling, and other force testing of insdustry field.
产品尺寸图:
产品主要的技术参数:
|
量程 Capacity |
0-50,100, 200, 300, 500, 1000, 2000kg |
材质 Material |
不锈钢或合金钢Stainless Steel or alloy steel |
|
输出灵敏度 Rated Output |
1.0 ± 10% mV/V |
综合精度 Total Accuracy |
0.5 % F.S. |
|
零点输出 Zero Balance |
±2 %F.S. |
绝缘电阻 Insulation |
≥5000MΩ/100VDC |
|
非线性 Non-linearity |
0.5%F.S. |
使用电压 Recommended Excitation |
3-10V |
|
滞后 Hysteresis |
0.3%F.S. |
响应频率 Response Frequency |
300Hz |
|
重复性 Repeatability |
0.1%F.S. |
温度补偿范围 Compensated Temp Range |
-10~60℃ |
|
蠕变 (30分钟)Creep (30min) |
0.1%F.S. |
工作温度 范围 Operating Temp Range |
-20~80℃ |
|
温度灵敏度漂移Temp Effect on Output |
0.05%F.S./10℃ |
安全超载 Safe Load Limit |
150% |
|
零点温度漂移 Temp Effect on Zero |
0.05%F.S./10℃ |
极限超载 Ultimate Load Limit |
300% |
|
输入输出电阻 Input/Output Impedance
|
750±10Ω/750 ± 3Ω |
电缆线尺寸 Cable Size |
φ3(4)x 3m |
|
TEDS 可选 |
|
||
其他信息:
如您有其他的需要,如量程、尺寸、安装位置、内置变送器等其他要求,请于我们联系,我们可为您量身定做。
也欢迎您来我司莅临指导。
上一条:轮辐压式传感器LFC-98
下一条:环形测力传感器LFPS-32
- 都有哪些测力的传感器?原理是什么?2020-08-24
- 传感器在机械工程中的应用2020-08-24
- 拉压力传感器检测系统的干扰来源及应对措施2020-08-10
- CMM东莞电子展倒计时3天2020-07-06






