产品分类
产品详情您的位置:首页 > 供应产品 > 模拟放大器/变送器 > 多通道智能变送器L990型
![]() |
|
L990型多通道智能变送器
应用及特点
1、高速数据采集,零位跟踪,自动清零功能
2、通讯功能。提供一个RS485 串口,可选modbus-RTU 通讯、
主动上传。
3、按键恢复出厂设置。按1 秒清零,10 秒恢复出厂设置。
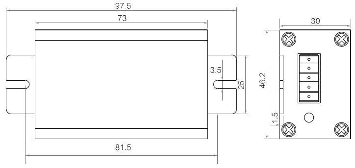
产品设计图纸:
技术参数:
1、测量性能:24bit ADC 芯片,采集速度5~1280,显示范围
-99999~999999,输入信号范围0-±20mV
2、通 讯 口:1 个 非 隔 离 RS485 串 口,通 讯 速 率
1200~115200,通讯协议modbus-RTU 或者主动发送
3、电源:直流型:24V(±10%) 、0.5A.
4、工作环境:-10 ~ 60℃ 35 ~ 60 %RH
其他信息:
如您有其他的需要,如量程、尺寸、安装位置、内置变送器等其他要求,请于我们联系,我们可为您量身定做。
也欢迎您来我司莅临指导。
上一条:微型压式传感器LFC-19
下一条:小尺寸压式传感器LFC-20P
- 压力变送器假信号处理方法2018-11-29
- 智能压力变送器应用介绍2018-11-29
- 压力变送器工作原理、技术参数2018-11-29
- 压力变送器在冬季如何防冻保温2018-11-28







