产品分类
产品详情您的位置:首页 > 供应产品 > 轴销传感器 > 轴销传感器LF-39
![]() |
|
轴销传感器LF-39
产品特点及用途:
不锈钢材料,悬臂式双剪切式结构,可内置放大器,模拟量输出4-20mA,0~5V,0~10V
应用:塔机,吊车装载销轴部分,代替销轴的作用,防止超载,机器在使用过程中安全监测。
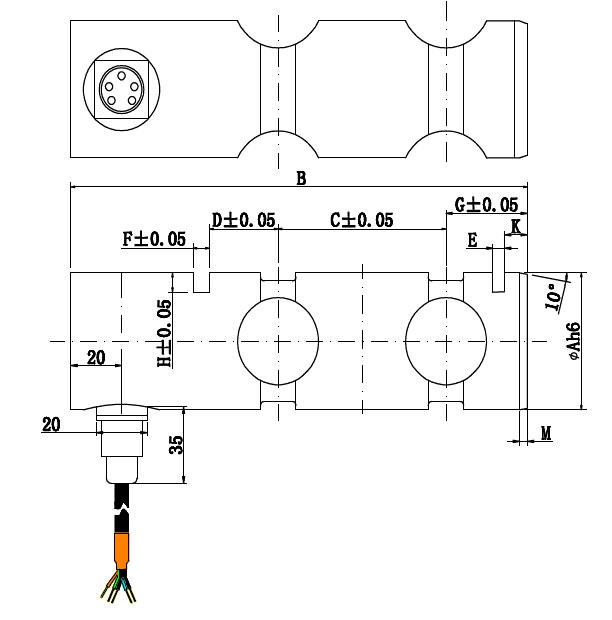
产品量程及尺寸图纸:


Range(t)
A
B
C
D
E
F
G
H
K
M
Weight
2,3,5
50
180
66
27
4.5
6.5
32
7
9
3
7,10,
60
190
96
14
10
9
33
9
9
5
10,15
65
210
116
14
10
9
32
9
8
5
20,30
80
225
109
20
12
11
40
10
8
6
40,50,100
120
275
153
25
14
13
51
15
12
6
产品主要的技术参数:
量程 Capacity
0~2,3,5,7,10,20,30,40,50,100t
材质 Material
不锈钢Stainless Steel
输出灵敏度 Rated Output
1.0±10%mV/V
输出电
350 or 700± 3Ω
零点输出 Zero Balance
± 2 % F.S.
绝缘电阻 Insulation
≥5000MΩ/100VDC
非线性 Non-linearity
0.5% F.S.
使用电压 Recommended Excitation
5-10V
滞后 Hysteresis
0.5% F.S.
最大使用电压 Maximum Excitation
15V
重复性
Repeatability
0.5% F.S.
温度补偿范围
Compensated Temp Range
- 10 ~ 60 ℃
蠕变 (30分钟)
Creep (30min)
0.5% F.S.
工作温度 范围
Operating Temp Range
- 20 ~ 80℃
温度灵敏度漂移Temp Effect on Output
0.05% F.S. / 10℃
安全超载
Safe Load Limit
150%
零点温度漂移
Temp Effect on Zero
0.05% F.S. / 10℃
极限超载
Ultimate Load Limit
300%
输入电阻 Input Impedance
750±5Ω
电缆线尺寸 Cable Size
φ5x 3m
TEDS 可选
其他信息:
如您有其他的需要,如量程、尺寸、安装位置、内置变送器等其他要求,请于我们联系,我们可为您量身定做。
也欢迎您来我司莅临指导。
上一条:轴销传感器LF-57
下一条:踏板力传感器LFB
- 轴销式称重传感器2018-10-08
- 轴销传感器用于起重设备防过载保护2018-05-29
- 轴销传感器用于滑轮防过载保护2018-05-29
- 轴销传感器生产厂家2017-12-16





