产品分类
产品详情您的位置:首页 > 供应产品 > 静态扭矩传感器 > 扭矩传感器LT-02
![]() |
|
产品特点及用途:
体积小巧,法兰式结构安装方便
不锈钢或者铝合金材质,精度高,稳定性能好,静态扭力测试仪器,扭力扳手测试设备
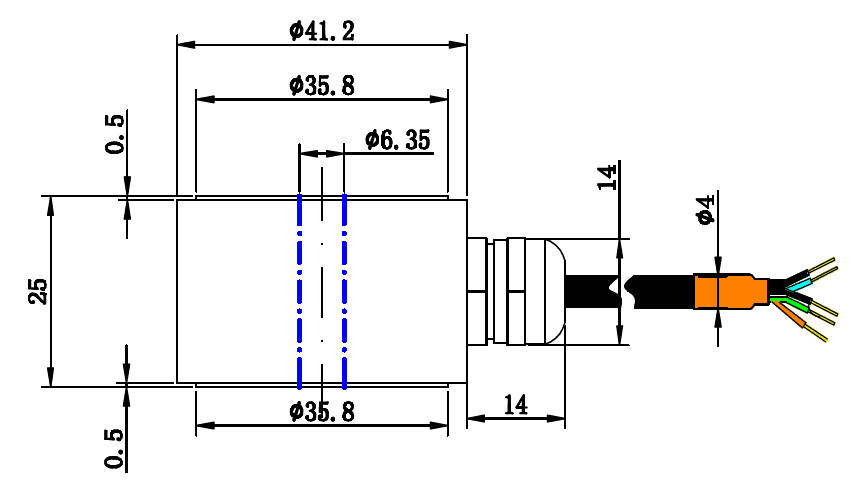
产品量程及尺寸图纸:



产品主要的技术参数:
量程 Capacity
0-100NM
材质 Material
铝合金/不锈钢Aluminum/ Stainless steel
输出灵敏度 Rated Output
2.0±10%mV/V
输出电阻 Output Impedance
350± 3Ω
零点输出 Zero Balance
± 2 % F.S.
绝缘电阻 Insulation
≥5000MΩ/100VDC
非线性 Non-linearity
0.1% F.S.
使用电压 Recommended Excitation
5-10V
滞后 Hysteresis
0.1% F.S.
最大使用电压 Maximum Excitation
15V
重复性
Repeatability
0.1% F.S.
温度补偿范围
Compensated Temp Range
- 10 ~ 60 ℃
蠕变 (30分钟)
Creep (30min)
0.1% F.S.
工作温度 范围
Operating Temp Range
- 20 ~ 80 ℃
温度灵敏度漂移Temp Effect on Output
0.05% F.S. / 10℃
安全超载
Safe Load Limit
150%
零点温度漂移
Temp Effect on Zero
0.05% F.S. / 10℃
极限超载
Ultimate Load Limit
200%
输入电阻 Input Impedance
385±5Ω
电缆线尺寸 Cable Size
φ4x 3m
电缆线连接方式Wire Connection
Ex + 红 Red; Ex - : 黑 Black; Sig + : 绿 Green; Sig - : 白 White
其他信息:
如您有其他的需要,如量程、尺寸、安装位置、内置变送器等其他要求,请于我们联系,我们可为您量身定做。
也欢迎您来我司莅临指导。
上一条:扭矩传感器LT-01
下一条:特殊定制-压式传感器
- 扭矩传感器作用如何,测量范围多少2018-12-03
- 动态扭矩传感器应用领域2018-11-05
- 动态扭矩传感器厂家2018-10-29
- 扭矩传感器的特性及运转流程2018-09-05






