新闻详情您的位置:首页 > 行业新闻 > 详细内容
动态扭矩力传感器的应用特点
来源:http://www.ligentcn.com/news/192.html发布时间:2017-10-16
扭矩力传感器、微小量程扭矩传感器、超小型静态力矩测力传感器主要特点:尺寸小、精度高、安装简便、采用优质铝合金材质.适用范围:应用于试验机、静止扭矩检测系统等设备。接下来,我们看看深圳市力准传感技术有限公司介绍动态扭矩力传感器的应用特点。
LT-10扭矩传感器是在应变桥专有技术基础上研制开发的,专门用于测量扭矩、转速参数的传感器。本系列扭矩传感器采用应变桥电测技术,用一组环形变压器非接触提供电源,用微功耗信号耦合器代替了环形变压器进行非接触传递信号,有效的克服了电感耦合信号带来的高次谐波自干扰及能源环形变压器对信号环形变压器的互干扰,同时将输出尖脉冲改成等方波信号,因此,本系列扭矩传感器可以长时间,高转速运转。
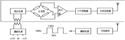
如上图所示,应变桥供电由设在传感器上的一组环形变压器,提供感应电压,经整流、稳压转换成高稳定性的直流电压。该电压既供给应变桥作为桥压,也供给其内部电路作为工作电压。应变桥检测的mV级扭矩信号被放大V级强信号,在经过V/F转换器变成正比的方波信号,并发射到外部的信号接受器上,在通过解调还原成与V/F转换出的方波同频率的数字信号,其相位差不大于1微妙,可以忽略不计。
安装示意图:安装时要注意两端的同轴度,尽量避免弯矩产生
对于小力值的扭矩传感器
还要考虑到两端安装轴承的
摩擦力及力矩的影响
本系列扭矩传感器既可以用于静态也可以用于动态测量,多种安装形式设计,给用户带来极大的方便。
上一条:扭矩测力传感器的安装使用方法
相关标签:动态扭矩力传感器,
相关新闻
- 动态扭矩力传感器的应用特点2017-10-16
相关产品


